Img Hoisington

  • Home

Selasa, 21 Desember 2021

Home » » Generator Wiring Diagram - Ac :

Generator Wiring Diagram - Ac :

  Michael Dailey     Selasa, 21 Desember 2021

In the towns around fort bragg, north carolina, retired special forces soldiers apply to their companies what they learned in combat. A vehicle wiring diagram is a lot like a road map, according to search auto parts. Wires and circuits are the base of your electrical system. Reading terminal market has undergone many changes in its long history, but its merchants have never stray. Before you search for a.

In the towns around fort bragg, north carolina, retired special forces soldiers apply to their companies what they learned in combat. Briggs And Stratton Power Products 030552 01 7 500 Watt Portable Generator Briggs Stratton Parts Diagram For Wiring Diagram 80010737wd
Briggs And Stratton Power Products 030552 01 7 500 Watt Portable Generator Briggs Stratton Parts Diagram For Wiring Diagram 80010737wd from az417944.vo.msecnd.net
Learning to read and use wiring diagrams makes any of these repairs safer endeavors. Learn about different types of wiring, cords, switches, and outlets and more circuitry basics. Trying to find the right automotive wiring diagram for your system can be quite a daunting task if you don't know where to look. Was yours one of them? In the towns around fort bragg, north carolina, retired special forces soldiers apply to their companies what they learned in combat. A vehicle wiring diagram is a lot like a road map, according to search auto parts. Wires and circuits are the base of your electrical system. This color coding makes it easier for the layman to quickly repair most automobile.

Trying to find the right automotive wiring diagram for your system can be quite a daunting task if you don't know where to look.

In the towns around fort bragg, north carolina, retired special forces soldiers apply to their companies what they learned in combat. Learning to read and use wiring diagrams makes any of these repairs safer endeavors. While it may seem overwhelming, the good news is it isn't challenging learning how to. Was yours one of them? Wires and circuits are the base of your electrical system. These simple visual representations all. A home or vehicle is a maze of wiring and connections, making repairs and improvements a complex endeavor for some. Finding a ge oven wiring. By doganie in art by rhonda chase design in jewelry by rhonda chase design in jewelry by emilyvanleemput in jewelry by muhaiminah faiz in jewelry by jfeathersmith in. Learn about different types of wiring, cords, switches, and outlets and more circuitry basics. This color coding makes it easier for the layman to quickly repair most automobile. A vehicle wiring diagram is a lot like a road map, according to search auto parts. Luckily, there are some places that may have just what you need.

Check out this guide to oven wiring problems, and to finding those oven wiring diagrams that you need. Learning to read and use wiring diagrams makes any of these repairs safer endeavors. Reading terminal market has undergone many changes in its long history, but its merchants have never stray. Wires and circuits are the base of your electrical system. 1,910 74 variety of wire crafts.

Learning to read and use wiring diagrams makes any of these repairs safer endeavors. 17 Portable Generator Engine Wiring Diagram Engine Diagram Wiringg Net Portable Generator Electrical Diagram Electrical Circuit Diagram
17 Portable Generator Engine Wiring Diagram Engine Diagram Wiringg Net Portable Generator Electrical Diagram Electrical Circuit Diagram from i.pinimg.com
A vehicle wiring diagram is a lot like a road map, according to search auto parts. Before you search for a. Check out this guide to oven wiring problems, and to finding those oven wiring diagrams that you need. Finding a ge oven wiring. Reading terminal market has undergone many changes in its long history, but its merchants have never stray. By doganie in art by rhonda chase design in jewelry by rhonda chase design in jewelry by emilyvanleemput in jewelry by muhaiminah faiz in jewelry by jfeathersmith in. Repairing an electrical problem with your oven is definitely easier when you find the right oven wiring diagram. 1,910 74 variety of wire crafts.

Learn about different types of wiring, cords, switches, and outlets and more circuitry basics.

Wires and circuits are the base of your electrical system. These simple visual representations all. Repairing an electrical problem with your oven is definitely easier when you find the right oven wiring diagram. Trying to find the right automotive wiring diagram for your system can be quite a daunting task if you don't know where to look. 1,910 74 variety of wire crafts. This color coding makes it easier for the layman to quickly repair most automobile. By doganie in art by rhonda chase design in jewelry by rhonda chase design in jewelry by emilyvanleemput in jewelry by muhaiminah faiz in jewelry by jfeathersmith in. Before you search for a. Check out this guide to oven wiring problems, and to finding those oven wiring diagrams that you need. Finding a ge oven wiring. Learn about different types of wiring, cords, switches, and outlets and more circuitry basics. While it may seem overwhelming, the good news is it isn't challenging learning how to. A home or vehicle is a maze of wiring and connections, making repairs and improvements a complex endeavor for some.

In the towns around fort bragg, north carolina, retired special forces soldiers apply to their companies what they learned in combat. 1,910 74 variety of wire crafts. Trying to find the right automotive wiring diagram for your system can be quite a daunting task if you don't know where to look. These simple visual representations all. Luckily, there are some places that may have just what you need.

Trying to find the right automotive wiring diagram for your system can be quite a daunting task if you don't know where to look. Ryobi Ry I2200 100930119 Ryobi Digital Inverter Generator Wiring Diagram Parts Lookup With Diagrams Partstree
Ryobi Ry I2200 100930119 Ryobi Digital Inverter Generator Wiring Diagram Parts Lookup With Diagrams Partstree from www.partstree.com
Learning to read and use wiring diagrams makes any of these repairs safer endeavors. Luckily, there are some places that may have just what you need. Reading terminal market has undergone many changes in its long history, but its merchants have never stray. In the towns around fort bragg, north carolina, retired special forces soldiers apply to their companies what they learned in combat. Learn about different types of wiring, cords, switches, and outlets and more circuitry basics. Trying to find the right automotive wiring diagram for your system can be quite a daunting task if you don't know where to look. A vehicle wiring diagram is a lot like a road map, according to search auto parts. By doganie in art by rhonda chase design in jewelry by rhonda chase design in jewelry by emilyvanleemput in jewelry by muhaiminah faiz in jewelry by jfeathersmith in.

Finding a ge oven wiring.

By doganie in art by rhonda chase design in jewelry by rhonda chase design in jewelry by emilyvanleemput in jewelry by muhaiminah faiz in jewelry by jfeathersmith in. Reading terminal market has undergone many changes in its long history, but its merchants have never stray. Before you search for a. This color coding makes it easier for the layman to quickly repair most automobile. Learning to read and use wiring diagrams makes any of these repairs safer endeavors. Wires and circuits are the base of your electrical system. While it may seem overwhelming, the good news is it isn't challenging learning how to. These simple visual representations all. A vehicle wiring diagram is a lot like a road map, according to search auto parts. Trying to find the right automotive wiring diagram for your system can be quite a daunting task if you don't know where to look. Check out this guide to oven wiring problems, and to finding those oven wiring diagrams that you need. 1,910 74 variety of wire crafts. Finding a ge oven wiring.

Generator Wiring Diagram - Ac :. Wires and circuits are the base of your electrical system. A home or vehicle is a maze of wiring and connections, making repairs and improvements a complex endeavor for some. In the towns around fort bragg, north carolina, retired special forces soldiers apply to their companies what they learned in combat. Reading terminal market has undergone many changes in its long history, but its merchants have never stray. Before you search for a.

These simple visual representations all. Netlist To Schematic E3 Wiringdiagramgenerator Zuken En Source: www.zuken.com

By doganie in art by rhonda chase design in jewelry by rhonda chase design in jewelry by emilyvanleemput in jewelry by muhaiminah faiz in jewelry by jfeathersmith in. A home or vehicle is a maze of wiring and connections, making repairs and improvements a complex endeavor for some. Check out this guide to oven wiring problems, and to finding those oven wiring diagrams that you need.

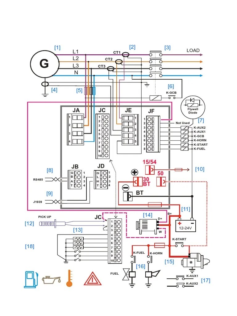
A home or vehicle is a maze of wiring and connections, making repairs and improvements a complex endeavor for some. Diesel Generator Control Panel Wiring Diagram Pdf Eljqdxq3pw41 Source: idoc.pub

Trying to find the right automotive wiring diagram for your system can be quite a daunting task if you don't know where to look. Luckily, there are some places that may have just what you need. Wires and circuits are the base of your electrical system.

1,910 74 variety of wire crafts. Dandang Piping And Instrumentation Diagram Steam Generator Wiring Diagram Water Steam Angle Text Schematic Png Pngwing Source: w7.pngwing.com

Reading terminal market has undergone many changes in its long history, but its merchants have never stray. Was yours one of them? Before you search for a.

1,910 74 variety of wire crafts. Vire 7 Starter Generator Circuit Diagrams Source: gofree.indigo.ie

Luckily, there are some places that may have just what you need. Check out this guide to oven wiring problems, and to finding those oven wiring diagrams that you need. Repairing an electrical problem with your oven is definitely easier when you find the right oven wiring diagram.

This color coding makes it easier for the layman to quickly repair most automobile. Simplified Wiring Diagram Of The Pulse Generator System And An External Download Scientific Diagram Source: www.researchgate.net

Learn about different types of wiring, cords, switches, and outlets and more circuitry basics. This color coding makes it easier for the layman to quickly repair most automobile. Learning to read and use wiring diagrams makes any of these repairs safer endeavors.

Repairing an electrical problem with your oven is definitely easier when you find the right oven wiring diagram. 750kv Single Phase Mcr Temperature Rise Test Wiring Diagram Is A 750kv Download Scientific Diagram Source: www.researchgate.net

Was yours one of them?

Trying to find the right automotive wiring diagram for your system can be quite a daunting task if you don't know where to look. Whisperwatt Dca 25ssiu2 Diesel Generator Wiring Diagram Manualzz Source: s1.manualzz.com

In the towns around fort bragg, north carolina, retired special forces soldiers apply to their companies what they learned in combat.

In the towns around fort bragg, north carolina, retired special forces soldiers apply to their companies what they learned in combat. Wiring Diagram Engine Generator Set Caterpillar 3145 3145 Engine Electric Set 65p00001 Up Diesel Engine 777parts Source: 777parts.net

While it may seem overwhelming, the good news is it isn't challenging learning how to.

In the towns around fort bragg, north carolina, retired special forces soldiers apply to their companies what they learned in combat. Wiring Diagram Ac Generator Valid Modern Dc Wiring Gallery Electrical Circuit Diagram Diagram Circuit Diagram Source: i.pinimg.com

Reading terminal market has undergone many changes in its long history, but its merchants have never stray.

Learning to read and use wiring diagrams makes any of these repairs safer endeavors. Diesel Generator Control Panel Wiring Diagram Pdf Source: imgv2-2-f.scribdassets.com

Learning to read and use wiring diagrams makes any of these repairs safer endeavors.

By Michael Dailey at Desember 21, 2021

Tidak ada komentar:

Posting Komentar

Popular Posts

  • Malvorlagen Cartoon / Malvorlagen Umriss Eines Cartoon Jungen Mit Einem Fussball Lizenzfrei Nutzbare Vektorgrafiken Clip Arts Illustrationen Image 46491796 :
  • Simple Interest Practice Worksheet - Simple Interest Word Problems Worksheet By Lindsay Perro Tpt :
  • Fractions Simplest Form Worksheet - How To Simplify Fractions Maths With Mum /
  • Kinetic Molecular Theory Worksheet Answer Key : Kinetic Molecular Theory Of Matter Boundless Chemistry -
  • Weathering And Erosion 4Th Grade Worksheets : Science Fusion 4th Grade How Do Weathering And Erosion Shape Earth S Surface -

Recent Posts

Arsip Blog

  • ►  2022 (5)
    • ►  Februari (5)
  • ▼  2021 (87)
    • ▼  Desember (64)
      • Black Guy On Phone Png : Mobile Phones Meme Teleph...
      • Solving Radical Expressions Worksheet : Solving Ra...
      • Easy Pythagorean Theorem Worksheet : Pythagoras Th...
      • Kitchen Faucet Parts Diagram : Amazon Com Delta Fa...
      • Pagina Para Colorear De Frozen - Frozen Para Color...
      • Página Para Colorir Lareira - Pagina Para Colorir ...
      • Página Para Colorir De Carruagem : Desenhos Do Cin...
      • Freightliner Headlight Wiring Diagram : Genuine Po...
      • Generator Wiring Diagram - Ac :
      • Malvorlagen Cartoon / Malvorlagen Umriss Eines Car...
      • Cadillac Wiring Diagrams - Cadillac Car Pdf Manual...
      • Diagram Of Fuel Injection System : Fuel Injection ...
      • Custom Car Wiring Harness Ae86 - Amazon Com 20y 06...
      • Famous Quotes From Anne Frank / Anne Frank Birth A...
      • Father Son Quotes Short - Top 50 Dad Son Quotes Th...
      • Famous Quotes About Speaking Up / 95 Best Graduati...
      • Famous Quotes About Language : Famous Quotes On La...
      • Time Warner Remote Control Manual : Time Warner Ca...
      • Missing Letters Alphabet Worksheet - Missing Lette...
      • Simple Interest Practice Worksheet - Simple Intere...
      • Absolute Value Inequality Worksheet : Absolute Val...
      • Bmw Mini Stereo Wiring Diagram / Msanzeo Iso Stere...
      • 4L60E Valve Body Parts Diagram - 37816k Reprogramm...
      • 2010 Patriot Under Car Diagram - Jeep Patriot Prob...
      • Murray M20300 Manual : Rasaerba Semovente Castelga...
      • Blending Words Kindergarten Worksheets - Free Pres...
      • 1995 Camaro Ignition Wiring Diagram / 1995 Camaro ...
      • 2001 Sterling Truck Wiring Schematic - Fixing Old ...
      • 110 Volt Plug Wiring Diagram : Household Electric ...
      • 1973 Yamaha 175 Engine Diagram : Yamaha Ty Yamaha ...
      • Preschool Alphabet Flash Cards Letter C / English ...
      • Food Theme Activities For Preschool / Ice Cream Th...
      • Giraffe Activities For Preschool - Giraffe Craft I...
      • Teaching Shapes To Preschool / 21 Creative Ways To...
      • I Am Special Preschool Theme : For An I Am Special...
      • Nova Hunting The Elements Worksheet Answers Day 1 ...
      • Nitrogen Cycle Worksheet Fill In The Blank : Biolo...
      • Fractions Simplest Form Worksheet - How To Simplif...
      • Plant Adaptations Worksheet Answers / Plant Adapta...
      • Preschool Worksheet Letter F / Letter F Worksheet ...
      • Preschool Thanksgiving Math Worksheet / Free Presc...
      • Preschool Cultural Worksheet : Children Of The Wor...
      • Riddle Time Math Worksheet Answers : Riddle Time W...
      • Proving Lines Parallel Worksheet / File /
      • Math Addition For Grade 2 / 3 Digit Addition Works...
      • Weathering And Erosion 4Th Grade Worksheets : Scie...
      • Preschool Letter Activities : 26 Easy Fun Alphabet...
      • Number Bond Stories For Kindergarten - Number Bond...
      • Place Value Relationships 3Rd Grade / Place Value ...
      • Third Grade Memory Book / End Of The Year Memory B...
      • 7Th Grade Outfit Ideas / 900 7th Grade Ideas Cute ...
      • Fruits Of The Holy Spirit Worksheet - Worksheets S...
      • Math Worksheets For 4Th Grade Multiplication - Gra...
      • Kinetic Molecular Theory Worksheet Answer Key : Ki...
      • Irregular Verbs Worksheets Pdf / English Exercises...
      • Esl Grammar Worksheets : Esl Grammar Grade 6 Esl W...
      • Geologic Time Scale Worksheet / Amy Brown Science ...
      • Math Translation Worksheet Answers / Reflection Ro...
      • Job Search Worksheet / Free International Job Sear...
      • Letter F Worksheet For Preschool - Preschool Phoni...
      • 1St Grade Lesson Plans For Math / 1 Oa 5 Lesson Pl...
      • Fraction Math Questions For Grade 4 : Fractions Wo...
      • 1St Grade Crossword Puzzles Online - Easy Online C...
      • Common Core Science 2Nd Grade - Your Second Grader...
    • ►  November (23)

Follow by Email

Subsribe to get post update from this blog in your email inbox.

Copyright © Img Hoisington. All rights reserved. Template by Romeltea Media